Cette page décrit les tests des deux d'adaptateurs USB ports série avec l'interface MS100 LocoNett® Digitrax.
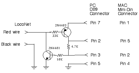
MS100 est un système de décalage de niveau passif qui tire sa puissance du contrôle conduit dans l'interface RS232. Digitrax n'a pas publié de schéma, mais Bill Robinson, de Digital Team a gracieusement fourni un schéma de leur décalage de niveau qui est pensé pour être très similaire.

Malheureusement, cet adaptateur n'est plus fabriqué. Je crois que le remplacement par "Keyspan High Speed Serial Adapter" Partie # USA-19QW est la même chose.
Nous avons eu un rapport que cet adaptateur PDA ne peut pas travailler avec un LocoBuffer à 57600 bauds. Il semble y avoir plusieurs versions de l' adaptateur, avec des numéros de modèle légèrement différent, et il se pourrait que certains d'entre eux travaillent à 56.000 bauds.

Ce fut effectivement la seconde série d'adaptateur USB que j'ai essayé, après le Keyspan Adaptateur série double (voir ci-dessous). Cet adaptateur fournit un connecteur DB9 mâle, brochage disponible à partir de la page support produit Keyspan. Notez qu'il y a deux sorties, RTS et DTR , qui peuvent être commandées séparément pour fournir le + et le - de tension pour le MS100.
j'ai relié une DB9 femelle par un câble adaptateur à une DB25 mâle qu'il m'est arrivé d'avoir, et le programme d'essais a été immédiatement en mesure de communiquer avec le LocoNet.
DB9 pin DB25 pin
------- --------
DCD 1 8
RxD 2 3
TxD 3 2
DTR 4 20
Masse 5 7
DSR 6 6
RTS 7 4
CTS 8 5
RI 9 22
Notez que je n'ai pas tester le niveau d'entrée du MS100 (DSR, CTS).
Le problème initial était que l'adaptateur USB fournit une seule commande Sortie de ligne (voir sur les Page support produit Keyspan . Cela signifie que le port série ne peut fournir l'un des deux + ou - niveaux nécessaires pour le MS100. Comme il ya deux ports, j'ai construis un petit adaptateur pour utiliser la ligne de commande du second port pour fournir l'autre niveau.
Le deuxième problème était que les sorties du port série ont seulement + / - 5V. Ce n'était pas suffisant pour alimenter le MS100 pendant la réception.
L'image suivante montre les niveau des données à transmettre depuis l'adaptateur Keyspan. Les Niveaux DC avaient une gamme similaire. Ce fut un grand élan pour piloter le LocoNet lui-même, mais pas au point de recevoir le décalage de niveau dans le MS100.
Fournir une tension auxiliaire +/- 9V au MS100, sans utiliser le ligne de sortie comme une source d'alimentation, ne fut pas suffisant. Ce qui suit est l'image des données reçues, nominalement un signal RS232 d'au moins +/-6 Volts, à partir du MS100. Le signal de donnée reçu a été de 6V, marginalement OK, mais il n'allait pas à la masse. L'adaptateur série USB n'a pas rapporté tous les caractères reçus au Macintosh. Notez que je n'ai pas tester le niveau d'entrée du MS100 (DSR, CTS).
Les tests ont été effectués avec un PowerBook G4 400MHz, Mac OS 9.1. Le programme de test est une application Java créée avec CodeWarrior 4.1.0.3 construire 661. Ce programme est disponible sur demande, voir ci-dessous pour l'adresse. L'accès Java à des adaptateurs USB série a été fait par la mise en oeuvre de javax.comm par l'intermédiaire du Macintosh de Patrick Beard.
Le système Digitrax était un Chief, régulateur DT100IR, et divers décodeurs sur le réseau. Le Trafic de la centrale de commande, du régulateur et des divers composants auxiliaires (PM4, DS54) était disponible pour les tests.
LocoNet® est une marque déposé de Digitrax, Inc.